产品分类/PRODUCTS
玻璃钢反应釜/罐
玻璃钢容器/储罐
玻璃钢塔器
玻璃钢溴素机组
玻璃钢管道/管件
玻璃钢冷却塔
玻璃钢除臭系统
玻璃钢风机
玻璃钢池罩盖板
玻璃钢格栅
一体化泵站
玻璃钢化粪池
玻璃钢其它产品
服务热线/HOTLINE
150-6568-5222
138-5368-0955
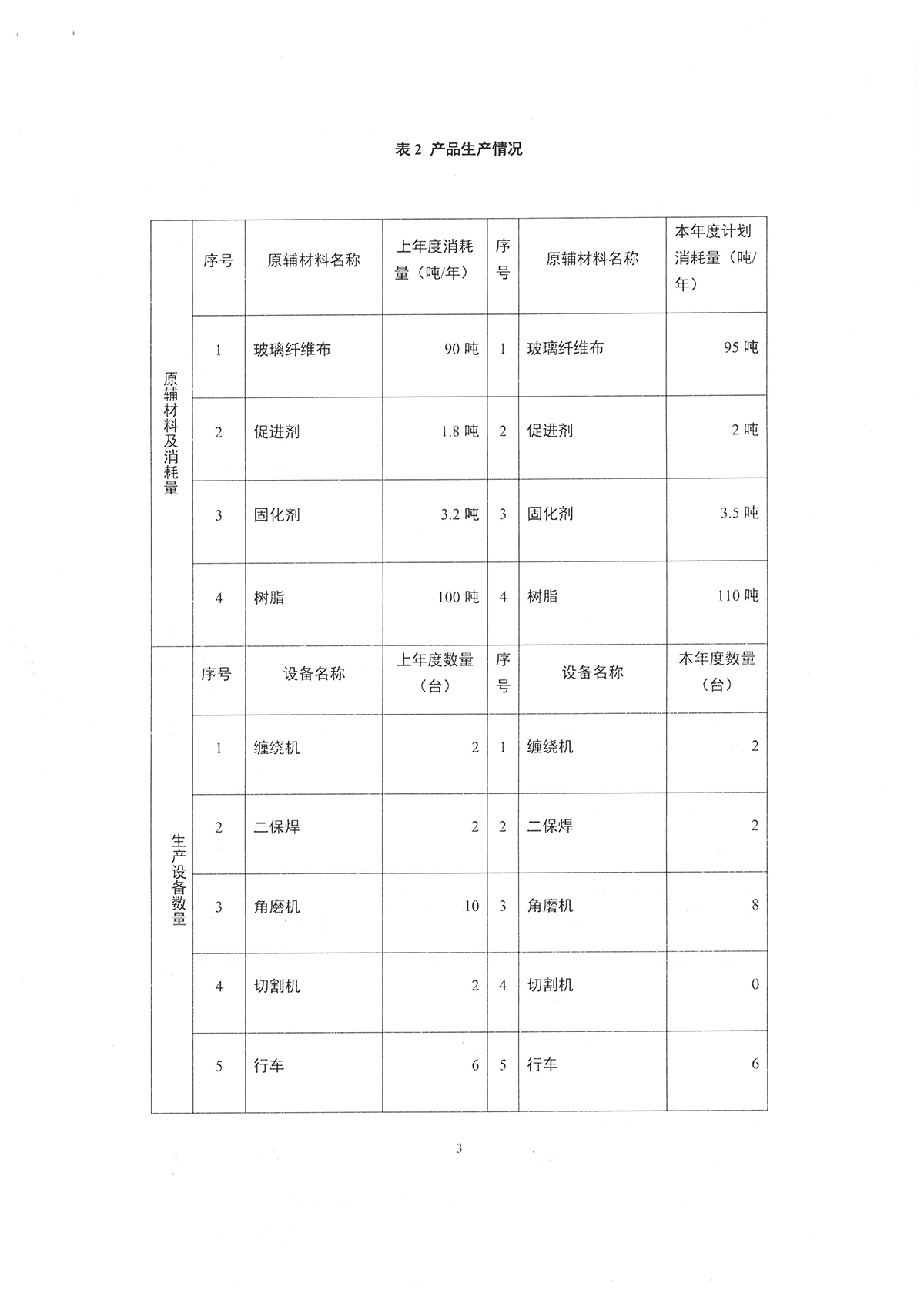
越洋玻璃钢2021年度危险废物管理计划及备案登记公示
发布者:越洋玻璃钢发布时间:2022-7-25关键词:中暑急救,防暑知识
越洋玻璃钢2021年度危险废物管理计划及备案登记公示






























